HAM Radio ZendExamens Banner  [ Welkom ]  [ Het waarom ]  [ Examens ]  [ Morse sectie ]  [ QTH Locator ]  [ Lijsten / Tabellen ]  [ Referenties ]  [ Link Sectie ] 
Home » Examen oefeningen » Start pagina F/C examens » Per PA4TON F-module » versterkers, OPAMP, SMP

versterkers, OPAMP, SMP (10 vragen).


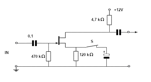
Vraag 1


Bij het openen van schakelaar S veranderen de genoemde versterkereigenschappen:

PE1HVH - image bij vraagnr 1
versterking groter, vervorming groter
versterking groter, vervorming kleiner
versterking kleiner, vervorming groter
versterking kleiner, vervorming kleiner


Vraag 2


Een versterker heeft de gegeven amplitude/frequentie-karakteristiek.

De versterker is ontworpen als:

PE1HVH - image bij vraagnr 2
hf-versterker op 10 MHz
versterker voor alle frequenties tot 100 MHz
lf-versterker
vhf-versterker op 100 MHz


Vraag 3


Een voorversterker voor de twee meter amateurband heeft minimaal een bandbreedte van:


144 MHz
146 MHz
2 meter
2 MHz


Vraag 4


Een LF-versterker, die frequentie-lineair is tussen f1 en f2, heeft de:


PE1HVH - image bij vraagnr 1
PE1HVH - image bij vraagnr 2
PE1HVH - image bij vraagnr 3
PE1HVH - image bij vraagnr 4


Vraag 5


Welke frequentiekarakteristiek behoort bij een VHF-voorversterker?


PE1HVH - image bij vraagnr 1
PE1HVH - image bij vraagnr 2
PE1HVH - image bij vraagnr 3
PE1HVH - image bij vraagnr 4