HAM Radio ZendExamens Banner  [ Welkom ]  [ Het waarom ]  [ Examens ]  [ Morse sectie ]  [ QTH Locator ]  [ Lijsten / Tabellen ]  [ Documenten ]  [ Link Sectie ] 
Home » Examen oefeningen » Start pagina F/C examens » Per PA4TON F-module » Detectie, Digitale modulatie

Detectie, Digitale modulatie (10 vragen).


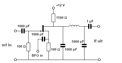
Vraag 1


Deze schakeling is een:

PE1HVH - image bij vraagnr 1
productdetector
mf-versterker
lf-versterker
oscillator


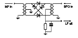
Vraag 2


Deze schakeling is een:

PE1HVH - image bij vraagnr 2
vermogensbegrenzer
dubbelfase gelijkrichter
productdetector
FM-detector


Vraag 3


De zwevingsoscillator (BFO) van een superheterodyne ontvanger werkt meestal op een frequentie dichtbij de frequentie van de:


hoogfrequentversterker
middenfrequentversterker
audioversterker
eerste oscillator


Vraag 4


Van een telegrafie-ontvanger is de middenfrequentie 756 kHz.

Om een A1A-signaal (onderbroken draaggolf) hoorbaar te maken heeft de BFO een frequentie van:


1 kHz
756 kHz
776 kHz
757 kHz


Vraag 5


Om CW-signalen (A1A) hoorbaar te maken maakt men bij voorkeur gebruik van een:


productdetector
flankdetector
Foster Seeley detector
diodedetector