HAM Radio ZendExamens Banner  [ Welkom ]  [ Het waarom ]  [ Examens ]  [ Morse sectie ]  [ QTH Locator ]  [ Lijsten / Tabellen ]  [ Referenties ]  [ Link Sectie ] 
Home » Examen oefeningen » Start pagina F/C examens » Per PA4TON F-module » Wisselspanning, frequentie

Halfgeleiderdioden (10 vragen).


Vraag 1


Een veel voorkomende spanning en stroom van een LED zijn:


5 V en 60 mA
1,7 V en 20 mA
60 V en 20 mA
0,7 V en 60 mA


Vraag 2


Een LED (light emitting diode) dient als volgt te worden aangesloten op een spanning van 12 volt.


PE1HVH - image bij vraagnr 1
PE1HVH - image bij vraagnr 2
PE1HVH - image bij vraagnr 3
PE1HVH - image bij vraagnr 4


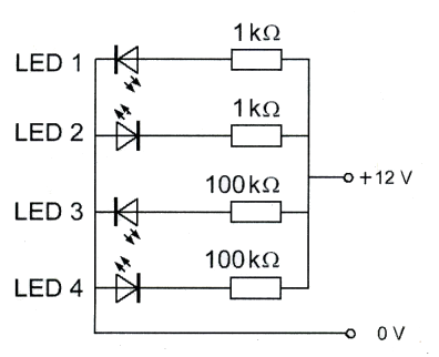
Vraag 3


Welke LED licht duidelijk op?

PE1HVH - image bij vraagnr 3
LED 2
LED 3
LED 4
LED 1


Vraag 4


Een zenerdiode wordt meestal toegepast om een:


wisselspanning gelijk te richten
voedingsspanning te verhogen
signaal te versterken
constante spanning te maken


Vraag 5


Deze schakeling kan worden gebruikt als:

PE1HVH - image bij vraagnr 5
frequentievergelijker
spanningverdubbelaar
stroomstabilisator
spanningstabilisator