HAM Radio ZendExamens Banner  [ Welkom ]  [ Het waarom ]  [ Examens ]  [ Morse sectie ]  [ QTH Locator ]  [ Lijsten / Tabellen ]  [ Referenties ]  [ Link Sectie ] 
Home » Examen oefeningen » Start pagina N/D examens » Per PA4TON N-module » Wet van Ohm, Serie/parallel schakelingen

Wet van Ohm, Serie/parallel schakelingen (8 vragen).


Vraag 1


De schakeling wordt aangesloten op een batterij van 40 volt.

De stroom die de batterij levert is:

PE1HVH - image bij vraagnr 1
13,3 mA
20 mA
8 mA


Vraag 2


De spanning tussen de punten X en Y is:

PE1HVH - image bij vraagnr 2
2 V
3 V
1 V


Vraag 3


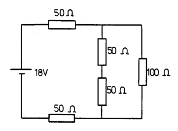
De spanning over de weerstand van 100 ohm is:

PE1HVH - image bij vraagnr 3
12 V
4V
6 V
3 V


Vraag 4


Het spanningsverschil tussen P en Q is:

PE1HVH - image bij vraagnr 4
8 V
4 V
2 V
0 V


Vraag 5


De spanning tussen X en Y is:

PE1HVH - image bij vraagnr 5
30 V
20 V
10 V
0 V