HAM Radio ZendExamens Banner  [ Welkom ]  [ Het waarom ]  [ Examens ]  [ Morse sectie ]  [ QTH Locator ]  [ Lijsten / Tabellen ]  [ Referenties ]  [ Link Sectie ] 
Home » Examen oefeningen » Start pagina N/D examens » Per PA4TON N-module » Band filters, Resonantiefrequenties

Band filters, Resonantiefrequenties (8 vragen).


Vraag 1






Vraag 2


Dit is het schema van een:

PE1HVH - image bij vraagnr 2
laagdoorlatend filter
banddoorlatend filter
bandsperrend filter
frequentie-onafhankelijke verzwakker


Vraag 3


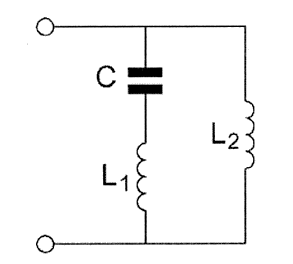
De parallelresonantiefrequentie van deze schakeling wordt bepaald door:

PE1HVH - image bij vraagnr 3
L1 en L2
C en L2
C en L1
C en L1 en L2


Vraag 4


De serieresonantiefrequentie van deze schakeling wordt bepaald door:




PE1HVH - image bij vraagnr 4
C en L1
L1 en L2
C en L1 en L2
C en L2


Vraag 5


Deze L-C schakeling heeft:

PE1HVH - image bij vraagnr 5
geen resonantiefrequentie
zowel een parallel- als een serieresonantiefrequentie
alleen een parallelresonantiefrequentie
alleen een serieresonantiefrequentie