HAM Radio ZendExamens Banner  [ Welkom ]  [ Het waarom ]  [ Examens ]  [ Morse sectie ]  [ QTH Locator ]  [ Lijsten / Tabellen ]  [ Referenties ]  [ Link Sectie ] 
Home » Examen oefeningen » Start pagina F/C examens » Per PA4TON F-module » Transistors

Transistors (10 vragen).


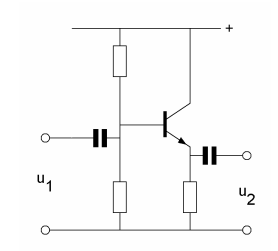
Vraag 1


De transistor staat geschakeld in:

 @copyright JA van Hernen / PE1HVH R R C B -Ub U U in uit
gemeenschappelijke basis-schakeling (GBS)
een combinatie van GBS en GES
gemeenschappelijke collectorschakeling (GCS)
gemeenschappelijke emitterschakeling (GES)


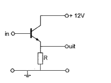
Vraag 2


Dit type schakeling heeft een:

PE1HVH - image bij vraagnr 2
spanningsversterking vrijwel gelijk aan 1
uitgangsweerstand gelijk aan R
stroomversterking veel kleiner dan 1
spanningsversterking veel groter dan 1


Vraag 3


Voor de schakeling geldt:

PE1HVH - image bij vraagnr 3
u2 is kleiner dan u1 en in tegenfase met u1
u2 is groter dan u1 en in tegenfase met u1
u2 is kleiner dan u1 en in fase met u1
u2 is groter dan u1 en in fase met u1


Vraag 4


Van de transistor is de hfe = 100.

Welke bewering is juist?

PE1HVH - image bij vraagnr 4
u1 = 0 V en u2 = 10 V
u1 = 0,1 V, u2 = 0,1 V en hebben dezelfde fase
de ingangsspanning is te klein om enig effect op u en u te hebben op u1 en u2
u1 = 0,1 V, u2 = 0,1 V en hebben tegengestelde fase


Vraag 5


Om een gestabiliseerde spanning op punt P te verkrijgen moet punt 1 worden doorverbonden met:


PE1HVH - image bij vraagnr 5
punt 4
punt 5
punt 3
punt 2