HAM Radio ZendExamens Banner  [ Welkom ]  [ Het waarom ]  [ Examens ]  [ Morse sectie ]  [ QTH Locator ]  [ Lijsten / Tabellen ]  [ Referenties ]  [ Link Sectie ] 
Home » Examen oefeningen » Start pagina F/C examens » Per PA4TON F-module » Condensatoren

Condensatoren (8 vragen).


Vraag 1


De stroom door de condensator is:

PE1HVH - image bij vraagnr 1
10 mA
12,5 mA
7,5 mA
2,5 mA


Vraag 2


De kantelfrequentie van dit filter bedraagt ongeveer:

PE1HVH - image bij vraagnr 2
50 Hz
500 Hz
1000 Hz
3300 Hz


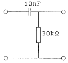
Vraag 3


De kantelfrequentie van dit filter bedraagt ongeveer:

PE1HVH - image bij vraagnr 3
160 kHz
628 Hz
100 kHz
1 kHz


Vraag 4


De kantelfrequentie van dit filter bedraagt ongeveer:

PE1HVH - image bij vraagnr 4
50 hz
300 Hz
500 Hz
2000 Hz


Vraag 5


Een laagfrequent-oscilloscoop heeft een ingangsimpedantie van 1 MΩ parallel met 20 pF.
Men meet met een afgeschermde kabel van 100 pF per meter met een lengte van 80 cm.

Het meetpunt wordt nu belast met:


1 MΩ en 100 pF
1 MΩ en 20 pF
1 MΩ en 120 pF
1 MΩ en 16 pF