HAM Radio ZendExamens Banner  [ Welkom ]  [ Het waarom ]  [ Examens ]  [ Morse sectie ]  [ QTH Locator ]  [ Lijsten / Tabellen ]  [ Referenties ]  [ Link Sectie ] 
Home » Examen oefeningen » Start pagina F/C examens » Per PA4TON F-module » Transformatoren

Transformatoren (10 vragen).


Vraag 1


De primaire wikkeling van een transformator heeft 100 windingen.
De secundaire wikkeling heeft 500 windingen.
Op de primaire wikkeling wordt een wisselspanning van 10 volt aangesloten.

De wisselspanning op de secundaire wikkeling is:


250 V
10√5 V
50 V
2 V


Vraag 2


In de weerstand R1 wordt 2 watt en in de weerstand R2 wordt 20 watt gedissipeerd.
De transformatoren zijn ideaal.

De stroom I is:

PE1HVH - image bij vraagnr 2
9 mA
182 mA
91 mA
100 mA


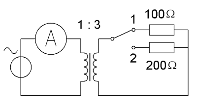
Vraag 3


De transformator is verliesvrij.
Als de schakelaar in stand 1 staat, is de stroom door de ampèremeter 9 ampère.

Zetten we de schakelaar in stand 2, dan is de stroom door de ampèremeter:

PE1HVH - image bij vraagnr 3
9 A
3 A
1,5 A
4,5 A


Vraag 4


Een variac is in principe een autotransformator.
De knop van de variac wordt zodanig gedraaid dat n1 = 100 windingen en n2 = 200 windingen.

U1 is dan:

PE1HVH - image bij vraagnr 4
48 V
240 V
60 V
80 V


Vraag 5


Om deze schakeling te kunnen maken beschikt u over 4 trafo's met verschillende wikkelverhoudingen.
U wenst een onbelaste uitgangsspanning van 10 V zo dicht mogelijk te benaderen.

U kiest een transformator met een wikkelverhouding van:

PE1HVH - image bij vraagnr 5
31 : 1
5,5 : 1
22 : 1
44 : 1