HAM Radio ZendExamens Banner  [ Welkom ]  [ Het waarom ]  [ Examens ]  [ Morse sectie ]  [ QTH Locator ]  [ Lijsten / Tabellen ]  [ Referenties ]  [ Link Sectie ] 
Home » Examen oefeningen » Start pagina N/D examens » Per PA4TON N-module » Metingen, Meters

Metingen, Meters (10 vragen).


Vraag 1


Om het opgenomen vermogen van de zender zo nauwkeurig mogelijk te meten, dient de weerstand van de respectievelijke meetinstrumenten te zijn:

PE1HVH - image bij vraagnr 1
A-meter laag; V-meter laag
A-meter hoog; V-meter hoog
A-meter laag; V-meter hoog
A-meter hoog; V-meter laag


Vraag 2


Om het opgenomen vermogen van de zender te meten gebruikt men een voltmeter en een ampèremeter.

Het opgenomen vermogen bedraagt:

PE1HVH - image bij vraagnr 2
90 W
95 W
99,95 W
100 W


Vraag 3


Een zendereindtrap is afgesloten met een belastingsweerstand.

Het afgegeven hoogfrequentvermogen wordt bepaald door vermenigvuldiging van de waarden aangewezen door de meters:

PE1HVH - image bij vraagnr 3
1 en 4
2 en 3
3 en 4
1 en 2


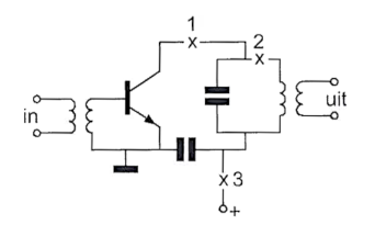
Vraag 4


De schakeling stelt de eindtrap van een zender voor.
Men wil de gelijkstroom door de eindtrap meten met een universeelmeter.

De juiste plaats voor de meter is:

PE1HVH - image bij vraagnr 4
plaats 1
plaats 2
plaats 3


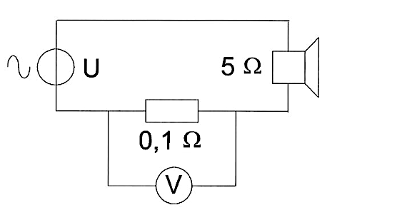
Vraag 5


Het aan de luidspreker toegevoerde vermogen is 200 mW.

De aanwijzing van de voltmeter is:

PE1HVH - image bij vraagnr 5
100 mV
2 mV
1 V
20 mV