HAM Radio ZendExamens Banner  [ Welkom ]  [ Het waarom ]  [ Examens ]  [ Morse sectie ]  [ QTH Locator ]  [ Lijsten / Tabellen ]  [ Documenten ]  [ Link Sectie ] 
Home » Examen oefeningen » Start pagina N/D examens » Per PA4TON N-module » Halfgeleiderdioden

Halfgeleiderdioden (7 vragen).


Vraag 1


Een zenerdiode wordt meestal toegepast om een:


signaal te verzwakken
signaal gelijk te richten
gelijkspanning constant te houden


Vraag 2


Om een gestabiliseerde gelijkspanning van 5 volt te verkrijgen kan men gebruik maken van een:


hoogvacuümdiode
varicapdiode
zenerdiode


Vraag 3


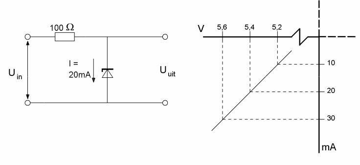
Van de zenerdiode is de karakteristiek gegeven.

Uuit

PE1HVH - image bij vraagnr 3
5,2 V
5,4 V
5,6 V


Vraag 4


Als door variatie van de voedingsspanning Uin de stroom door de zenerdiode varieert van -20 mA tot -60 mA, varieert de spanning Uz over de zenerdiode:

PE1HVH - image bij vraagnr 4
0,05 V
0,1
0,15 V


Vraag 5


Een kenmerkende eigenschap van een zenerdiode is de:


sterk toenemende stroom boven een bekende spanning in de sperrichting
hoge weerstand in de doorlaatrichting
sterke lichtgevoeligheid in de sperrichting