HAM Radio ZendExamens Banner  [ Welkom ]  [ Het waarom ]  [ Examens ]  [ Morse sectie ]  [ QTH Locator ]  [ Lijsten / Tabellen ]  [ Documenten ]  [ Link Sectie ] 
Home » Examen oefeningen » Start pagina N/D examens » Per PA4TON N-module » Hoog-, Laag- doorlaaatfilters

Hoog-, Laag- doorlaaatfilters (3 vragen).


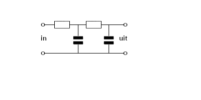
Vraag 1


Dit is het schema van een:

PE1HVH - image bij vraagnr 1
bandsperfilter
hoogdoorlaatfilter
banddoorlaatfilter
laagdoorlaatfilter


Vraag 2


In een amateurstation wordt het laagdoorlaatfilter in de antennekabel gebruikt om:


signalen lager in frequentie dan de zendfrequentie te verzwakken
signalen op de zendfrequentie te verzwakken
signalen hoger in frequentie dan de zendfrequentie te verzwakken


Vraag 3


Dit is het schema van een:

PE1HVH - image bij vraagnr 3
hoogdoorlaatfilter
frequentieonafhankelijk filter
bandfilter
laagdoorlaatfilter