HAM Radio ZendExamens Banner  [ Welkom ]  [ Het waarom ]  [ Examens ]  [ Morse sectie ]  [ QTH Locator ]  [ Lijsten / Tabellen ]  [ Referenties ]  [ Link Sectie ] 
Home » Examen oefeningen » Start pagina F/C examens » F201105121320

F-Examen : 2011-05-12 13:20 uur (50 vragen).


Vraag 1


De kring L1/C1 heeft tot doel:

PE1HVH - image bij vraagnr 1
het doorlaten van het te ontvangen station
de ontvanger tegen hoge spanningen op de antenne te beschermen
het onderdrukken van signalen op de middenfrequentie
de bandbreedte van de ontvanger te verkleinen


Vraag 2


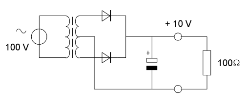
Van een dubbelfasige gelijkrichter is de uitgangsspanning 10 volt bij een belasting met 100 ohm.
De transformator en de diodes worden ideaal verondersteld.

De primaire wisselstroom is:

PE1HVH - image bij vraagnr 2
100 mA
10 mA
100√2 mA
10√2 mA


Vraag 3


De scheidingstrap in een zender heeft als functie het:


overbodig maken van het neutrodyniseren van de eindtrap
voorkomen van belastingvariaties op de oscillator
voorkomen van parasitaire oscillatieverschijnselen
constant houden van de amplitude van de draaggolf


Vraag 4


De stroom I is:

PE1HVH - image bij vraagnr 4
2 A
1 A
0,5 A
0,25 A


Vraag 5


Een in een enkele laag gewikkelde spoel wordt vervangen door een spoel die 10% langer is.
De overige eigenschappen (aantal windingen, diameter, kernmateriaal ) blijven gelijk.

De zelfinductie is nu:


ongewijzigd
10% groter
20% groter
kleiner