HAM Radio ZendExamens Banner  [ Welkom ]  [ Het waarom ]  [ Examens ]  [ Morse sectie ]  [ QTH Locator ]  [ Lijsten / Tabellen ]  [ Referenties ]  [ Link Sectie ] 
Home » Examen oefeningen » Start pagina F/C examens » F201109071200

F-Examen : 2011-09-07 12:00 uur (50 vragen).


Vraag 1


Instelling oscilloscoop:
Horizontaal: 1 μsec/schaaldeel
Verticaal: 25 V/schaaldeel


De amplitude van deze wisselspanning is:

PE1HVH - image bij vraagnr 1
100 V
25 V
50 V
60 V


Vraag 2


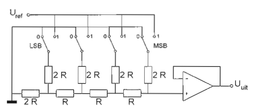
Het bit met de hoogste waarde is aangegeven met MSB en het bit met de laagste waarde met LSB.

Onderstaande schakeling is een:

PE1HVH - image bij vraagnr 2
binaire opteller
DAC
ADC
digitaalfilter


Vraag 3


Een voordeel van enkelzijbandmodulatie vergeleken met amplitudemodulatie is:


de bandbreedte van de ontvanger kan groter zijn
de vervorming ten gevolge van selectieve fading is minder hinderlijk
de zendereindtrap kan in klasse C worden ingesteld
de frequentiestabiliteit van de ontvanger kan lager zijn


Vraag 4


Een AM gemoduleerd hf-signaal heeft een bandbreedte van 10 kHz.
De hoogste frequentie welke in het modulerende lf-signaal voorkomt, is:


10 kHz
2,5 kHz
5 kHz
20 kHz


Vraag 5


Een modulatievorm voor digitale signalen is:


DAC
ADC
PEP
2-PSK